GE220ES-2RS带密封大型向心关节轴承
为将关节轴承安装到轴上,环境温度和加热内圈之间通常需要 60 至 80 °C 的温差。 对于轴承座,相关的温差取决于过盈配合度和轴承座直径。 但是,通常情况下中等程度的温升便已足够。 在加热轴承时,不要超过诸如密封件等任何相关部件的温度极限。
类别:[关节轴承] - [向心关节轴承]
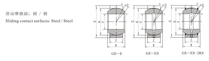
产品编号:GE...E- 4~12
GE...ES 15-~300
GE...ES-2RS 15-~300
滑动磨擦副: 钢/钢
产品特点:外圈有一道轴向缝,内、外圈材料均为轴承钢,淬火,磷化,滑动表面涂敷二硫化钼。除型号后置代号为E外,其余型号内、外圈均有润滑油槽油孔,后置代号有-2RS为外圈两端带有密封圈。
使用温度范围:GE...E- GE...ES -50℃-~+150℃
GE...ES-2RS -30℃-~+130℃

联 系 人:吴经理 13563502328
销售电话:0635-5169898
厂 电:0635-2818908
传 真:0635-2818906
网 址:www.guan-jie.com
地 址:山东省临清市唐元镇经济开发区315省道旁
扫一扫关注我们